Шаровые мельницы двухопорные (универсальные)
Предназначены для мокрого и сухого тонкого размола материалов мелющими телами, могут применяться для смешивания порошков, паст и приготовления суспензий.
|
Отрасль применения |
|
|
|
|
|
|
|
Система менеджмента качества сертифицирована (ISO 9001:2008)
|
Модель |
МШБ |
МШБ |
МШБ |
МШБ |
МШБ |
МШБ |
МШБ |
|
Общий объем, л |
60 |
100 |
200 |
300 |
500 |
750 |
1000 |
|
Рабочий объем, л |
14 |
28 |
45 |
68 |
112 |
168 |
225 |
|
Частота оборотов об/ мин |
56 |
50 |
48 |
43 |
38 |
35 |
33 |
|
Максимальная загрузка, кг ** |
110 |
200 |
340 |
450 |
750 |
1150 |
1500 |
|
Установленная мощность, кВт *** |
2,2 |
3 |
4 |
7,5 |
11 |
15 |
20 |
|
Габаритные размеры (ДxШxВ), мм |
1150 1050 |
1545 х1250 |
1650 х1250 |
1800 х1350 |
2100 х1750 |
2600 х1900 |
3160 х2100 |
|
Масса, не более, кг |
500 |
800 |
900 |
1100 |
1500 |
2000 |
3500 |
|
Технические характеристики шаровых мельниц |
Серии МШБ для сухого размола |
||||||
|
Основное применение |
Тонкий и сверхтонкий размол, истирание, смешивание |
||||||
|
Принцип воздействия на материал |
Удар, истирание |
||||||
|
Применяется для материалов |
Твердых, средней твердости, мягких, хрупких, волокнистых |
||||||
|
Тип размола |
Сухой |
||||||
|
Материал размольного барабана |
Нержавеющая сталь / Углеродистая сталь |
||||||
|
Футеровка внутренней поверхности барабана (опция) |
Оксид алюминия Al₂O₃ (белая), Оксид алюминия Al₂O₃ (красная – ВК-94-1), Полиуретан, Резина, Полипропилен, Карбид кремния SiC. |
||||||
|
Рабочий объем (шары + материал) * |
30-35 % от общего объема (возможно до 50%) |
||||||
|
Максимальные размеры загружаемого материала, мм * |
До 80 мм |
||||||
|
Конечная дисперсность материала * |
До 10 мкм |
||||||
|
Оптимальный диаметр применяемых шаров * |
8-30 мм |
||||||
|
Защита от перегрузки по току |
предусмотрено |
||||||
|
Плавный пуск и плавное торможение |
предусмотрено |
||||||
|
Кожух для беспылевой выгрузки |
предусмотрено |
||||||
|
Регулировки частоты оборотов |
частотным преобразователем (опция) |
||||||
|
Задание времени работы |
Таймером (опция) |
||||||
|
Подключение к сети электропитания |
380В, 50Гц |
* Данные параметры зависят от физико-механических свойств размалываемого материала и определяются опытным путем при обработке технологии на каждом отдельном виде материала.
** Расчет максимальной загрузки шаров и материала произведен с учетом массы керамических мелющих шаров. Для загрузки стальных шаров (нерж. сталь, ШХ-15) или шаров из карбида вольфрама может потребоваться увеличение мощности электродвигателя (зависит от количества шаровой загрузки, типа мелющих тел, а также от удельного веса размалываемого материала).
*** Мощность электродвигателя может изменяться – зависит от массы загружаемых шаров.
Дополнительная комплектация и модернизация:
- Футеровка рабочей камеры – рабочая камера изнутри покрывается износостойким материалом для повышения ресурса работы мельницы, а также для предотвращения попадания в размалываемый материал “вредного” намола с стенок барабана. - для каждого вида размалываемого продукта можно подобрать наилучший материал рабочей камеры и мелющих элементов:
- Футеровка полиуретаном (твердостью от 60 до 90 по Шору). Полиуретан обладает высокой износостойкостью, стойкостью на разрыв, устойчивостью к высоким механическим нагрузками, а также снижает шум при работе мельницы (не стоек к ацетону, нефрасу, толуолу и другим растворителям, а также не выдерживает температуры свыше 90 С):
- Футеровка керамикой: Оксид алюминия Al2O3 (уралит, алюбит, ВК-94-1, ВК-100). Керамическая футеровка обладает высокой износостойкостью (более чем в 250 раз выше чем у марганцевой стали), высокой кислотостойкостью и щелочестойкостью, исключает загрязнения размалываемого материала металлическими примесями (к примеру: используется при размоле материалов для керамических конденсаторов, а также в фармацевтической промышленности), обладает коррозионной стойкостью, высокой плотностью и механической прочностью (также может выдерживать высокие и низкие температуры):
- Футеровка полипропиленом: Полипропилен обладает высокой химической стойкостью к различным видам соединений и веществ, нейтрален по отношению к химически агрессивным кислотам и растворителям, имеет низкую проницаемость.
- Футеровка из различных материалов: Оксид циркония ZrO2 (стабилизированный оксидом иттрия или оксидом кальция), карбида кремния SiC, карбид вольфрама (ВК-6, ВК-8), чугунными пластинами, и другими материалами.
- Выполнение рабочей камеры из черной стали (в том числе из специальных сталей).
- Регулировка частоты оборотов электродвигателя.
- Изменение габаритов станины.
- Нагрев / охлаждение – оснащение мельницы рубашкой для подачи жидкого теплоносителя.
- Комплектование приемной емкостью.
- Оснащение мельницы мембранным насосом.
- Комплектование мельницы размольными шарами и из различных материалов:
|
Материал |
Диаметр шаров |
||||||||
|
6 мм |
8 мм |
10 мм |
15 мм |
20 мм |
25 мм |
30 мм |
40 мм |
50 мм |
|
|
Агат |
|
|
✔ | ✔ | ✔ | ✔ |
|
|
|
|
Карбид вольфрама WC |
|
✔ | ✔ |
|
|
|
|
|
|
|
Оксид алюминия Al₂O₃ |
✔ | ✔ | ✔ | ✔ | ✔ | ✔ | ✔ | ✔ | ✔ |
|
Оксид циркония ZrO₂ |
✔ | ✔ | ✔ | ✔ | ✔ | ✔ | ✔ | ✔ | ✔ |
|
Нержавеющая сталь |
✔ | ✔ | ✔ | ✔ | ✔ | ✔ | ✔ | ✔ | ✔ |
|
Сталь ШХ 15 |
✔ | ✔ | ✔ | ✔ | ✔ | ✔ | ✔ | ✔ | ✔ |
|
Фарфор |
|
|
✔ | ✔ | ✔ | ✔ | ✔ |
|
|
- Подача в рабочую камеру инертного газа (азот, аргон).
- Изготовление электрической части во взрывобезопасном исполнении.
- Геометрические габариты и частота оборотов барабана мельницы позволяют подбивать технологический режим работы в широком диапазоне и работать как в “каскадном” режиме работы, так и в водопадном.
- Диаметр валов, динамическая нагрузка подшипниковых опор, толщина барабана мельницы, а также жесткость приемной емкости и решетки позволят работать как с легкими материалами (размол керамики с керамическими шарами), так и с материалами, имеющими высокий удельный вес (размол металлических порошков шарами из стали ШХ-15).
- Для удобства выполнения работ по футеровке барабана мельницы (полиуретаном, керамикой, полипропиленом, карбидом кремния и т.д), боковые фланцы мельницы выполнены съемными.
- Контактирующие с обрабатываемым материалом детали (барабан, крышка лючка, кожух и выкатной сборник порошка) изготовлены из нержавеющей стали 12Х18Н10Т.
- Сообщение вращения барабану выполняется через специальную муфту, которая обеспечивает сохранность редуктора и продлевается ресурс работы редуктора. В конструкции мельница отсутствуют затрудняющие обслуживание приводные ремни (со временем приходят в негодность и подлежат замене) – мельница проста в обслуживании.
- Технологичность конструкции и запас прочности обеспечивают многолетнюю эксплуатацию мельниц без выполнения ремонтных операций.
- Пусконаладочные работы не требуются. Для включения мельницы достаточно установить ее на ровную поверхность и включить штекер в розетку (подключил и работай).
- Система управления обеспечивает безопасность оператора (при открытой крышке защитного кожуха оператор не может включить вращение барабана в рабочем режиме – только в режиме “Доводка”).
- Регулировка частоты оборотов позволяет оператору в широком диапазоне плавно изменять режим размола, от каскадного режима работы до водопадного, а также различные режимы смешивания (опция).
- Время размола задается таймером.
- Эффективный слив суспензии (шликера) обеспечивается конструкцией перфорированного стакана.
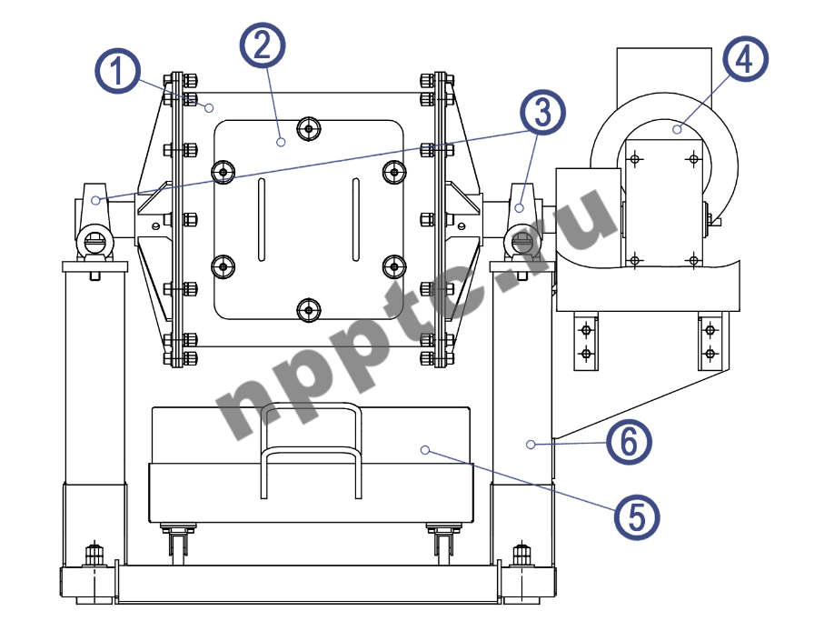
Шаровая мельница двухопорная представляет собой массивную станину (6), в верхней части которой в двух подшипниковых опорах (3) установлен вращающийся цилиндрический барабан (1), а также на отдельной площадке мотор-редуктор (4). Через люк (2) в барабан мельницы загружаются шары и материал для измельчения.
После окончания рабочего цикла, содержимое барабана ссыпается в двухуровневый поддон (5), верхний уровень которого представляет собой решетку для сепарации размольных тел и готового материала. Также имеется возможность выгрузки через решетчатую крышку, при использовании кожуха для беспылевой выгрузки или сливом готовой суспензии через перфорированный стакан с шаровым краном.
|
Примеры размалываемых материалов |
|||
|
|
|
|
|
|
|
|
|
|
|
|
|
|
|
|
|
|
|
|
|
|
|
|
|
|
|
|
|
|
|
|
|
Мельницы шаровые с приводом от валков могут использоваться в лабораториях, мелкосерийных, а также крупных промышленных производствах и позволяют выполнять: |
|
|
Сухой размол материалов различной твердости |
Сухой размол широкого спектра материалов (в том числе трудноразмалываемых) с широким выбором футеровки барабана и материала мелющих шаров, в том числе размол в среде инертных газов. |
|
Мокрый размол материалов различной твердости |
Мокрый размол порошков в различных средах (вода, спирт, ацетон и т.п.), ( и измельчение и перетир невязких паст, приготовление эмалей и глазурей. |
|
Смешивание порошков, суспензий и паст |
Сухое смешивание порошков (в том числе различных по размеру), как с шарами, так и в пустом барабане, смешивание суспензий, приготовление паст и поддержание готовых паст в “живом” текучем состоянии. |
Мельницы шаровые двухопорные с боковым приводом (универсальные – для мокрого и сухого размола)
Принцип работы универсальных шаровых мельниц:
- Мокрый размол: С целью удобства отделения измельченного материала от мелющих тел загрузочный лючок оснащен съемной решеткой. Для выгрузки барабан устанавливается лючком вниз – суспензия вытекает в технологическую емкость, а мелющие тела остаются в мельнице.
- Сухой размол: Для выгрузки барабан устанавливается лючком вниз – мелющие тела и порошок выгружаются в технологическую тару. Мелющие тела отделяются от порошка с помощью двухуровневого поддона и загружаются обратно в барабан вместе с новой партией исходного материала.
Мельницы шаровые двухопорные с ременным приводом (универсальные – для мокрого и сухого размола)
Предназначены для мокрого и сухого тонкого размола материалов мелющими телами, могут применяться для смешивания порошков, паст и приготовления суспензий.
Свяжитесь с нами удобным способом
пн-пт с 8:00 до 17:00, обед с 12:00 до 13:00
г. Рыбинск, ул. Нансена, д.20 Схема проезда
Рысев Владимир Александрович
Румянцев Илья Александрович
Клиновицкая Екатерина Борисовна
Рысев Владимир Александрович
8 (800) 100-77-23 (Технический отдел)
Елесичев Дмитрий Александрович
Оставьте свои данные и наш менеджер свяжется с вами в ближайшее время
